







*Product may vary by application
WARNING: Cancer and Reproductive harm - www.p65warnings.ca.gov
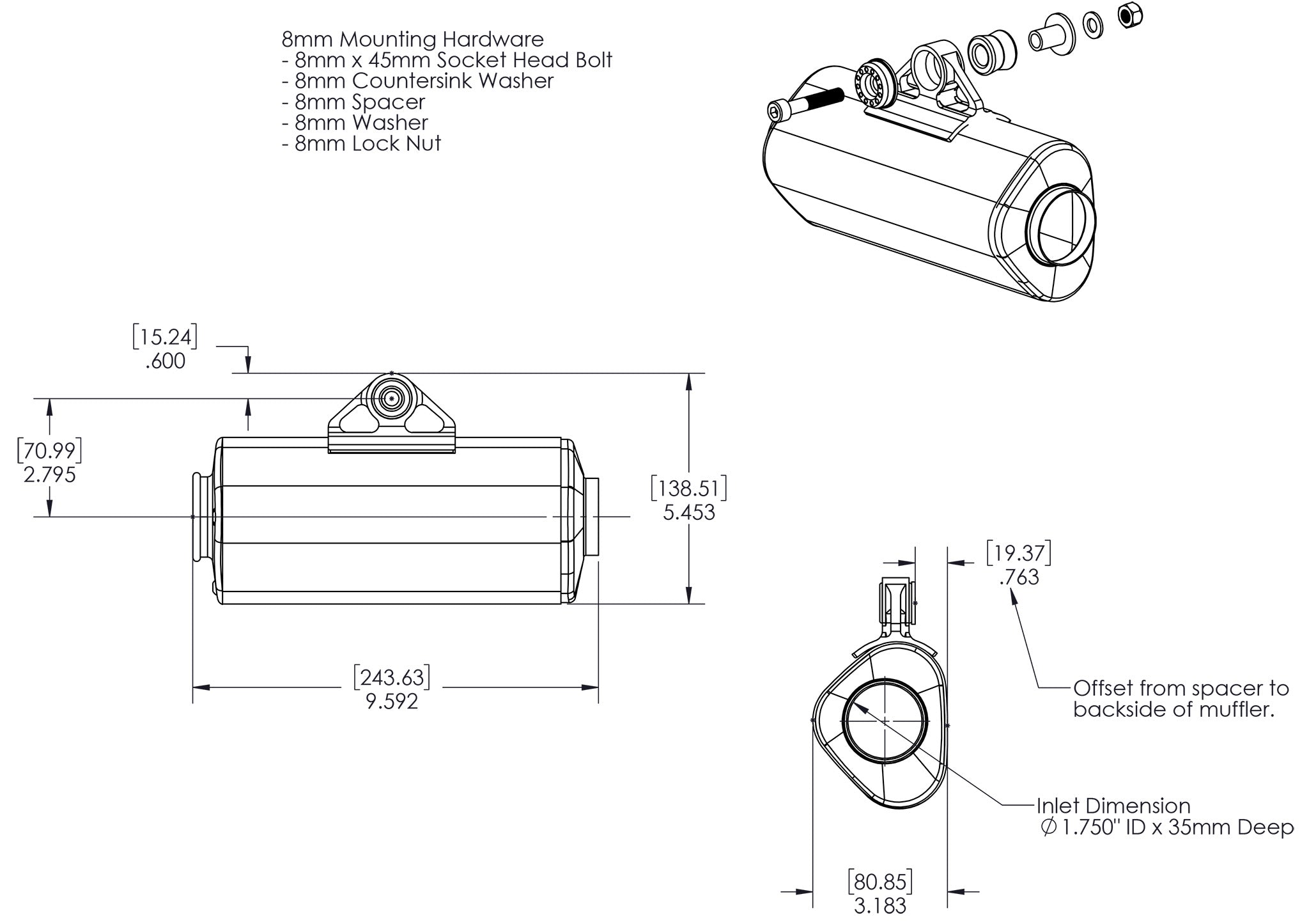
Description
The TRS has been around since the early 90’s and is a great choice for the build that needs that special vibe. A custom aluminum bracket mated with an aluminum sleeve attached to a polished CNC milled end cap topped with a straight tip. Mounting hardware included.
Proudly designed and made in the USA!
. . . . .
This product was designed to fit on a standard equipped motorcycle, as delivered from the factory. OE and aftermarket accessories not found on a bike as delivered from the factory may not be compatible with this product.
Attention international customers: This product was designed and tested to be compatible with vehicles in the U.S. marketplace only. Compatibility, including fitment and performance, may vary by marketplace.